Caractéristiques
- Type d’accessoire: Lot
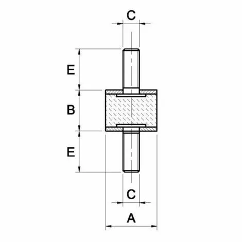
Silent Bloc universel Male x Male Ø25X20 M8X20 (Lot de 4)
Silent Bloc universel Male x Male Ø25X20 M8X20 (Lot de 4)
- A mm : 25
- B mm : 20
- C mm : M8
- E mm : 20
- Charge maxi compression : 45
- Charge maxi de cisaillement maximum : 8














Avis
Il n’y a pas encore d’avis.